Japan
サイト内の現在位置を表示しています。
国内各地の衛星画像
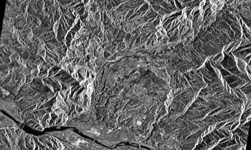
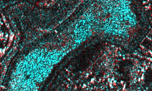
このページでは、NECが自社保有する高性能レーダ観測衛星「ASNARO-2」が取得した国内各地の衛星画像を紹介します。モノクロの画像は「ASNARO-2」が取得したもの、カラー画像は比較のために他の衛星等の画像、もしくは分析を加えた画像です。
「ASNARO-2」が取得した画像はモノクロであるうえ、幾何学的な歪(レイオーバーやレーダーシャドウ)を含むため、直感的には理解しづらく、画像解釈のためには専門的な知識やスキルが必要です。
衛星観測は、航空機やドローンにくらべ、より広範囲を一括で観測できることや周期的かつ継続的に同一エリアを観測できる特徴があります。特に「ASNARO-2」などのレーダー観測衛星による観測では、天候に左右されず、地表の変位やモノの動態を定量的に掴むことができます。
ご参考)
- ご覧頂いた衛星画像は閲覧用に加工しています。画像の無断転載はお控えください。( Credit: NEC )
- NECでは発災前後の衛星データを防災研究機関等へ提供することがあります。
- 現在「ASNARO-2」は太陽同期準回帰軌道を周回(約90分/周)する1機のみの運用のため、特定地域での発災直後の撮像ができるとは限りません。
- 「ASNARO-2」衛星画像は、NECグループ会社
JEOSS社のホームページでもご覧いただけます。
拡大する















